
PSO-15 Series
Features
- Compact footprint
- 4000 VAC isolation
- No-load power consumption < 0.1 W
- Short circuit protection (SCP)
- Over voltage protection (OVP)
- Over current protection (OCP)
Specifications
- Power (W): 14 ~ 15.4
- Input Voltage Range (VAC): 85 ~ 305
- Output Voltage (VDC): 3.3 ~ 24
- Operating Temperature Range (ºC): -25 ~ +50
- Cooling Type: Convection
- Safety Standards: UL/EN 62368-1
- Safety Approvals: CE, UL/cUL
- RoHS Compliant: Yes



-DERATING CURVES

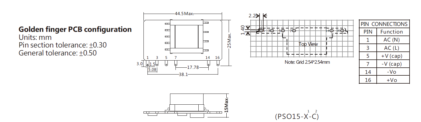
-MECHANICAL DRAWING



Note:
1. X=Output Voltage ;
2. A: Straight pin ; B: Bent pin ; C: Golden finger PCB type
3. The separation between all primary and secondary circuits must be maintained as follows to maintain the safety requirements:
Creepage : >6.4mm
Clearance : >4.0mm
Download file